純電動汽車控制系統單元電路
2016-12-05
純電動汽車主控制器選擇STM32F107VCT6微控制器。STM32F107V型系列使用高性能的ARM?CortexTM-M3?32位的RISC內核,工作頻率為72?MHz。該器件包含2個12位的ADC、4個通用16位定時器和1個PWM定時器,還包含標準和通信接口:多達2個I2C,3個SPI,2個I2S,5個USART,1個USB和2個CAN件同時提供了以太網接口,極大地方便了電路設計。
串行接口電路
系統共使用四個串行接口,分別與LCD觸摸屏、熱敏打印機、讀卡器和RS?485接口的電能表通信。LCD觸摸屏和熱敏打印機為RS?232電平,經過電平轉換與MCU通信。LCD觸摸屏與MCU的通信協議采用Modbus-RTU通信協議,MCU作為主機,LCD觸摸屏作為從機。熱敏打印機根據打印機模塊提供的協議進行通信。讀卡器為TTL電平,可以直接與MCU相連,采用讀卡器模塊提供的協議進行通信。充電計量的電能表采用多功能單相表,選用2.0等級的電能表,電流規格為5(40)A?。電表提供RS-485接口,通過DL/T?645-2007通信協議與MCU通信。通過讀取電能表的電能值作為充電樁的電能計量值,通過讀取電表電流和電壓值來判斷充電過程中是否出現過流和過壓的情況,并加以處理。RS?485接口原理圖如圖所示。
接口原理圖
CAN總線接口電路??
根據《電動汽車車載充電機與交流充電樁通信協議》征求意見稿中的相關說明,該征求意見稿推薦車載充電機與交流充電樁之間的通信系統采用CAN總線,所以設計CAN總線接口。數據鏈路層為物理連接之間提供可靠數據傳輸,本系統車載充電機與交流充電樁之間的數據幀格式符合CAN總線2.QB版本的規定,使用CAN擴展幀的29位標識符。具體每個位分配的相應定義和傳輸協議等功能符合SAE?J1939-21的規定。
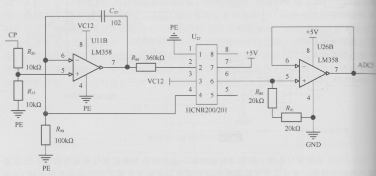
充電電壓測量電路??
電壓測量首先需要通過測量互感器將電壓和電流轉換為可以測量的小信號。例如對220V的電壓信號的測量,采用的互感器變比為2mA/5mA,采用如圖所示的電路,可知在220V時互感器的輸出恰好為5mA。
充電電壓測量原理圖
忽略大電阻分流的影響,則27Q相當于一個采樣電阻。由于采樣的信號為交流電,信號有正負之分,而A/D轉換器的輸入范圍為0-3.6V,所以不能直接將采樣電壓輸入到A/D轉換器中。在運放的正輸入端接人一個正的參考電壓,再選擇合適的放大倍數,使輸出能夠在A/D轉換器的輸入范一圍即可很好地解決該問題。采用準同步采樣后,數據采用矩形自卷積窗算出其有效值。
控制導引電路??
控制導引電路完成充電前充電樁與電動汽車的連接確認、供電功率及充電連接裝置載流能力的識別和充電過程的監測等任務。MCU通過檢測點不同的電壓值來判斷所處狀態,其電路原理圖如圖所示。
控制導引電路原理圖
下一篇: 動力總成控制器的電磁兼容設計方法










